Product Summary
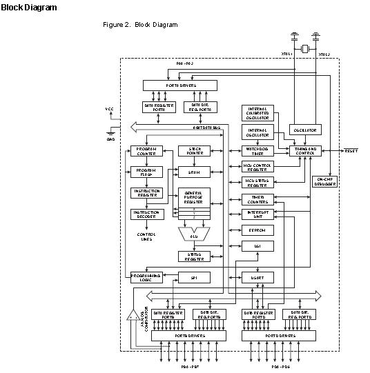
The ATTINY2313V-10SU is a low-power CMOS 8-bit microcontroller based on the AVR enhanced RISC architecture. By executing powerful instructions in a single clock cycle, the device achieves throughputs approaching 1 MIPS per MHz allowing the system designer to optimize power consumption versus processing speed.
Parametrics
Absolute maximum ratings: (1)Storage Temperature:-65°C to +150°C; (2)Voltage on any Pin except RESET with respect to Ground:-0.5V to VCC+0.5V; (3)Voltage on RESET with respect to Ground:-0.5V to +13.0V; (4)Maximum Operating Voltage:6.0V; (5)DC Current per I/O Pin:40.0 mA; (6)DC Current VCC and GND Pins:200.0mA; (7)Operating Temperature:-55°C to +125°C.
Features
Features: (1)Utilizes the AVR@RISC Architecture; (2)AVR--High-performance and Low-power RISC Architecture; (3)Data and Non-volatile Program and Data Memories; (4)One 8-bit Timer/Counter with Separate Prescaler and Compare Mode; (5)One 16-bit Timer/Counter with Separate Prescaler, Compare and Capture Modes; (6)Four PWM Channels; (7)On-chip Analog Comparator; (8)Programmable Watchdog Timer with On-chip Oscillator; (9)USI--Universal Serial Interface; (10)Full Duplex USART; (11)debugWIRE On-chip Debugging; (12)In-System Programmable via SPI Port; (13)External and Internal Interrupt Sources; (14)Low-power Idle, Power-down, and Standby Modes; (15)Enhanced Power-on Reset Circuit; (16)Programmable Brown-out Detection Circuit; (17)Internal Calibrated Oscillator.
Diagrams

| Image | Part No | Mfg | Description | ![]() |
Pricing (USD) |
Quantity | ||||||||||||
|---|---|---|---|---|---|---|---|---|---|---|---|---|---|---|---|---|---|---|
![]() |
![]() ATtiny2313V-10SU |
![]() Atmel |
![]() 8-bit Microcontrollers (MCU) 2kB Flash 0.128kB EEPROM 18 I/O Pins |
![]() Data Sheet |
![]()
|
|
||||||||||||
![]() |
![]() ATTINY2313V-10SUR |
![]() Atmel |
![]() 8-bit Microcontrollers (MCU) AVR 2KFL 128B EE1.8V 128B 1UART 20P-10MHz |
![]() Data Sheet |
![]()
|
|
||||||||||||
(Hong Kong)









