Product Summary
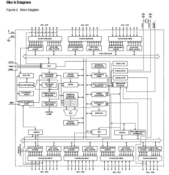
The ATMEGA128-16AU is a low-power CMOS 8-bit microcontroller based on the AVR enhanced RISC architecture. By executing powerful instructions in a single clock cycle, the ATmega128 achieves throughputs approaching 1 MIPS per MHz allowing the system designer to optimize power consumption versus processing speed.
Parametrics
Absolute maximum ratings: (1)Storage Temperature:-65°C to +150°C; (2)Voltage on any Pin except RESET with respect to Ground:-0.5V to VCC+0.5V; (3)Voltage on RESET with respect to Ground:-0.5V to +13.0V; (4)Maximum Operating Voltage:6.0V; (5)DC Current per I/O Pin:40.0 mA; (6)DC Current V and GND Pins:200.0mA to 400.0mA; (7)Operating Temperature:-55°C to +125°C.
Features
Features: (1)High-performance, Low-power AVR@8-bit Microcontroller; (2)Advanced RISC Architecture; (3)Two 8-bit Timer/Counters with Separate Prescalers and Compare Modes; (4)Two Expanded 16-bit Timer/Counters with Separate Prescaler, Compare Mode and Capture Mode; (5)Real Time Counter with Separate Oscillator; (6)Two 8-bit PWM Channels; (7)6 PWM Channels with Programmable Resolution from 2 to 16 Bits; (8)Output Compare Modulator; (9)Byte-oriented Two-wire Serial Interface; (10)Dual Programmable Serial USARTs; (11)Master/Slave SPI Serial Interface; (12)Programmable Watchdog Timer with On-chip Oscillator; (13)On-chip Analog Comparator; (14)Power-on Reset and Programmable Brown-out Detection; (15)Internal Calibrated RC Oscillator; (16)External and Internal Interrupt Sources; (17)Software Selectable Clock Frequency; (18)ATmega103 Compatibility Mode Selected by a Fuse; (19)Global Pull-up Disable.
Diagrams

| Image | Part No | Mfg | Description | ![]() |
Pricing (USD) |
Quantity | ||||||||||||
|---|---|---|---|---|---|---|---|---|---|---|---|---|---|---|---|---|---|---|
![]() |
![]() ATmega128-16AU |
![]() Atmel |
![]() 8-bit Microcontrollers (MCU) 128kB Flash 4kB EEPROM 53 I/O Pins |
![]() Data Sheet |
![]()
|
|
||||||||||||
![]() |
![]() ATMEGA128-16AUR |
![]() Atmel |
![]() 8-bit Microcontrollers (MCU) AVR 128KB FLASH 4KB EE 4KB SRAM,5V |
![]() Data Sheet |
![]()
|
|
||||||||||||
(Hong Kong)










