Product Summary
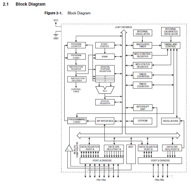
The ATTINY24-20SSU is a low-power CMOS 8-bit microcontroller based on the AVR enhanced RISC architecture. By executing powerful instructions in a single clock cycle, the ATTINY24-20SSU achieves throughputs approaching 1 MIPS per MHz allowing the system designer to optimize power consumption versus processing speed.
Parametrics
Absolute maximum ratings: (1)Operating Temperature: -55℃ to +125℃; (2)Storage Temperature: -65℃ to +150℃; (3)Voltage on any Pin except RESET with respect to Ground: -1.0V to VCC+0.5V; (4)Voltage on RESET with respect to Ground: -1.0V to +13.0V; (5)Maximum Operating Voltage: 6.0V; (6)DC Current per I/O Pin: 40.0 mA; (7)DC Current VCC and GND Pins: 200.0 mA.
Features
Features: (1)High Performance, Low Power AVR 8-Bit Microcontroller; (2)Advanced RISC Architecture: 120 Powerful Instructions – Most Single Clock Cycle Execution, 32 x 8 General Purpose Working Registers, Fully Static Operation; (3)I/O and Packages: 14-pin SOIC, PDIP and 20-pin QFN/MLF: Twelve Programmable I/O Lines.
Diagrams

| Image | Part No | Mfg | Description | ![]() |
Pricing (USD) |
Quantity | ||||||||||||
|---|---|---|---|---|---|---|---|---|---|---|---|---|---|---|---|---|---|---|
![]() |
![]() ATTINY24-20SSU |
![]() Atmel |
![]() 8-bit Microcontrollers (MCU) 2kB Flash 0.128kB EEPROM 12 I/O Pins |
![]() Data Sheet |
![]()
|
|
||||||||||||
![]() |
![]() ATTINY24-20SSUR |
![]() Atmel |
![]() 8-bit Microcontrollers (MCU) AVR 2KB FLSH 128B EE USI ADC 20MHz, IND |
![]() Data Sheet |
![]()
|
|
||||||||||||
(Hong Kong)








